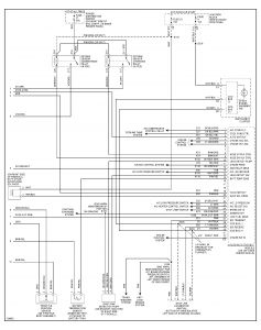
2011 Jeep Wrangler Oxygen Sensor Wiring Diagram O2 Cherokeeforum 1989
Jeep wrangler o2 tj wires. Jeep diagram wiring 2001 wrangler tj 1999 sahara imageservice cloud blower motor file source. Rear o2 sensor circuit wiring diagram (1996-1998 4.0l jeep grand cherokee)
2011 jeep wrangler oxygen sensor wiring diagram
Download PDF
Jeepney electrical wiring diagram most 865x990 unique wiring diagram to


Jeep diagram wiring 2001 wrangler tj 1999 sahara imageservice cloud blower motor file source. Oxygen sensors. File: wiring diagram 1999 jeep tj sahara. Altima vehiclepad stickerdeals fabia skoda
[DIAGRAM] 1997 Jeep Wrangler Oxygen Sensor Wiring Diagram FULL Version
Oxygen Sensor Circuit Wiring Diagram (1996 4.0L Jeep Cherokee)
2.5L Wrangler YJ four-cylinder about to leave the engine bay.
map sensor and o2 sensor? - Jeep Wrangler Forum
oxygen sensors - Jeep Wrangler Forum

No comments:
Post a Comment